7 Měření impedancí
7.1

Určete kapacitu \(C_X\) a ztrátový činitel \(\mathrm{tg}\,\delta_X\) kondenzátoru, zapojeného dle obrázku. Hodnoty prvků a naměřené hodnoty: \(R_N = 10\,\mathrm{k}\Omega\), \(U_1 = 10\,\mathrm{V}\), \(\mathrm{Re}\,U_2 = -0,4\,\mathrm{V}\), \(\mathrm{Im}\,U_2 = -5,2\,\mathrm{V}\), \(f = 10\,\mathrm{kHz}\). [\(C_X = 827,6\,\mathrm{pF}\), \(\mathrm{tg}\,\delta_X = 0,077\)]
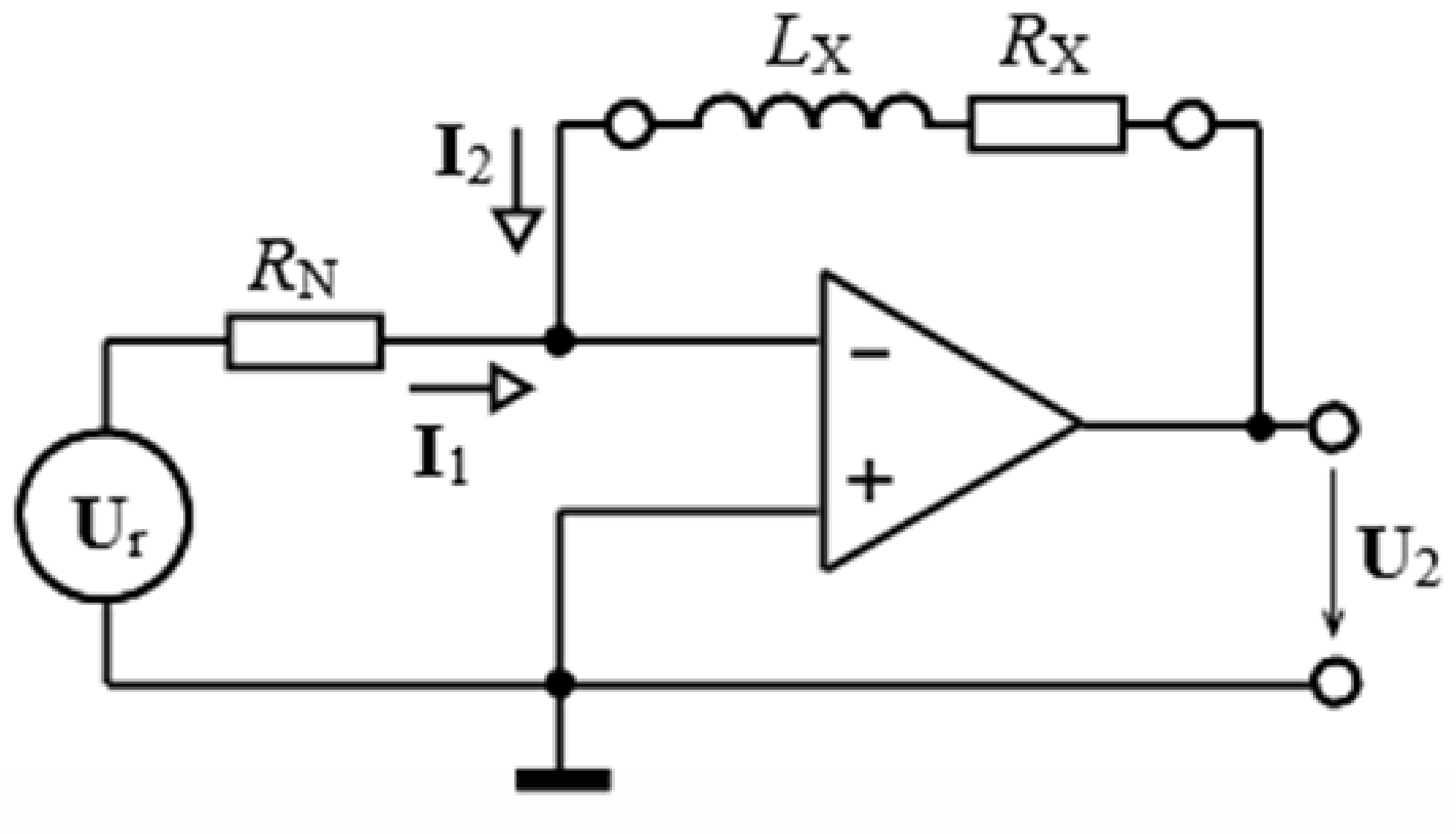
7.2

Měříte parametry cívky v zapojení dle obrázku. Odvoďte vztah pro určení \(L_X\) a \(R_X\) a vypočtěte jejich velikost pro hodnoty: \(R_N = 10\,\mathrm{k}\Omega\), \(U_1 = 1\,\mathrm{V}\), \(\mathrm{Re}\,U_2 = -0,03\,\mathrm{V}\), \(\mathrm{Im}\,U_2 = -0,6\,\mathrm{V}\), \(f = 1\,\mathrm{kHz}\). Zakreslete zapojení stínění měřené impedance a rozhodněte, jak se uplatní parazitní admitance měřeného prvku vůči stínění (své rozhodnutí odůvodněte). [\(L_X = 0,96\,\mathrm{H}\), \(R_X = 300\,\Omega\)]
7.3

Měříte parametry kondenzátoru \(C_X\) v zapojení dle obrázku. Hodnoty prvků a naměřené hodnoty: \(R_N = 10\,\mathrm{k}\Omega\), \(U_1 = 10\,\mathrm{V}\), \(\mathrm{Re}\,U_2 = -0,2\,\mathrm{V}\), \(\mathrm{Im}\,U_2 = -6,3\,\mathrm{V}\), \(f = 1592\,\mathrm{Hz}\). Určete \(C_X\) a ztrátový činitel \(\mathrm{tg}\,\delta_X\), potřebné vztahy odvoďte. Zakreslete stínění vhodné pro měření průchozí kapacity měřeného kondenzátoru a rozhodněte, jak se uplatní parazitní admitance měřeného prvku vůči stínění (své rozhodnutí odůvodněte). [\(C_X = 6,3\,\mathrm{nF}\), \(\mathrm{tg}\,\delta_X = 0,032\)]